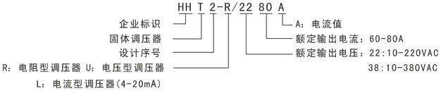
HHT2-R/22、38单相电阻型调压器
产品说明:产品控制方式:电阻型调压器(不隔离)
产品系列名称:单相卧式螺纹安装60-80A
产品型号规格:HHT2-R/22、38
输入控制电阻:2W 470-560KΩ电位器调整
输出负载电压:22:10-220VAC、38:10-380VAC
输出负载电流:60、80A
产品说明
典型案例
在线帮助
资料下载
技术文章
产品特点
2、元器件进厂经过严格的筛选,严格的工艺要求及检测手段;
3、双向可控硅移相输出,调节范围宽;
4、内置阻容吸收,瞬态保护工作更可靠;
5、输入、输出与散热板之间隔离耐压2500V;
6、螺纹引出端接线,具有结构强度高,耐冲击,抗震动性强;
7、产品体积小巧,耐震、防潮、防爆、防腐蚀等;
8、100%负载电流老化试验,通过欧共体CE认证,国际ISO9000认证,3C认证。
产品型号说明

技术参数
| 产品名称 | 单相固体调压器 |
|---|---|
| 控制方式 | 2W470-560KΩ电位器调整 |
| 负载电压 | 220VAC、380VAC |
| 调压范围 | 22:10-250VAC、38:10-440VAC |
| 隔离电压 | 输入与输出端不隔离 |
| 负载电流 | 60、80A |
| 瞬态电压 | 22:600VAC、38:900VAC |
| 通态压降 | <3VAC |
| 介质耐压 | ≥2500VAC输出端与散热片 |
| 绝缘电阻 | 500MΩ 500VDC测试 |
| 环境温度 | -30~80℃ |
| 外形尺寸 | 63L×45W×26H |
| 工作指示 | LED |
| 安装方式 | 螺栓安装式 |
| 产品重量 | ≤110-140g |
| 特别说明 | 碳膜电位器应用绝缘旋纽和外壳,以免触电 |
产品外形尺寸

产品应用接线图

产品应用
HHT系列固体调压器是由可控硅开关电路及阻容移相电路,消除滞后电路,过压吸收电路以模块的形式,采用阻燃工程塑料外壳,高温环氧树脂灌封,自升螺丝压接式接线,具有结构图强度高,耐冲击,抗震动性强,结构新颖,配有安全保护盖,使安装检查方便快捷安全可靠,使用时仅需外配一只电位器即可,实现交流电功率调节,在许多应用场合中可以代替笨重接触式调压器。
典型应用:
1、工业设备温度控制
2、白炽灯调光
3、阻性加热元件
4、传送带速度控制
5、小型交流串激电机调速
6、以及其他手动、自动功率调节场合
不适合的场合:
1、交流电动机控制
2、三相电动机控制
3、需要完整正弦波输入的应用
4、需要过零输出的应用
5、不能承受由调相波形英气射频干扰的场合容性负载以及整流电路
安全注意事项
1、输出端为可控硅调相波形,会产生射频干扰(在负载回路中串联-电感,可降低干扰)。
2、控制电位器导线较长时请使用带屏蔽的导线或用金属管屏蔽;
3、该产品为非隔离型(输入与输出端),选择电位器应当注意与线电压的隔离,安装使用过程中必须注意安全;
4、负载电流高于10A时必须使用散热器或安装在具有相应散热效果的金属底板上,并且固体调压器散热底板与安装面之间涂上导热硅脂。
5、使用在感性负载时,高瞬态电压以及浪涌电流施加与输出端,因此可能导致固态调压器误导通或损坏,通常需要在输出端接入具有
特定钳位电压的电压控制器件,如压敏电阻(MOV)。压敏电阻推荐取额定电压的1.6-1.9倍。
6、控制接近最小负载电流的较小负载电流负载时,须在负载上并联一个虚拟负载电阻,以减小输出端漏电流在负载上产生较高的剩余
电压。
7、为了避免固体继电器的温升超过允许值,设计应用时应考虑散热效果和安装位置,当两只或多只固体继电器并排安装时,应留有适
当的间距。
(HHT2-R/22、38单相电阻型调压器)相关产品
