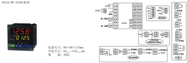
PD319-WP系列PID自整定控制仪
产品说明:PD319-WP系列PID自整定控制仪PID光柱显示控制仪适用于需要进行高精度测量控制的系统,可根据被控对象自动演算出最佳PID控制参数。PD319-WP系列PID自整定控制仪PID光柱显示控制仪表集数字仪表与模拟表于一体,可对温度、压力、 液位、速度等测量信号进行数字量显示控制(高亮度LED数码显示)及相对模拟量显示(光柱显示),使测量值的显示更为清晰直观。并可选择双光柱显示。
产品说明
典型案例
在线帮助
资料下载
技术文章
概 述 ————————————————————————————————————————————
PD319-WP系列PID自整定控制仪PID光柱显示控制仪适用于需要进行高精度测量控制的系统,可根据被控对象自动演算出最佳PID控制参数。
PD319-WP系列PID自整定控制仪PID光柱显示控制仪表集数字仪表与模拟表于一体,可对温度、压力、 液位、速度等测量信号进行数字量显示控制(高亮度LED数码显示)及相对模拟量显示(光柱显示),使测量值的显示更为清晰直观。并可选择双光柱显示。
特 点 —————————————————————————————————————————————
PID参数自整定
可分别带有一路PID控制输出及一路变送输出,可适用各种测量控制场合。
手/自动无扰动切换,手自状态下可修改参数。
具有多种调节输出方式(PWM输出、可控硅触发输出、固态继电器触发输出及电压/电流输出)。
特殊技术参数 ——————————————————————————————————————————
技术指标 ————————————————————————————————————————————
——————————————————————————————————————————————————
——————————————————————————————————————————————————
——————————————————————————————————————————————————
——————————————————————————————————————————————————
——————————————————————————————————————————————————
数字显示控制仪型谱表 ——————————————————————————————————————

输入选型 ————————————————————————————————————————————
报警方式 ————————————————————————————————————————————
★注:N105报警输出只有一个控制输出为PID控制,变送输出为测量值对应的变送输出。D405及S405系列只能选择PID控制输出。
同种分度号,选型代码和仪表编程代码不同, 在仪表设定时请注意。型号举例:PD319-WP-D805-21-08-HL-P-WPID自整定控制仪,通讯方式RS232, 输出方式继电器输出,输入类型为Pt100, 第一报警为上限报警,第二报警为下限报警,馈电输出,DC24供电,横表。
(PD319-WP系列PID自整定控制仪)相关产品
