PD319-WP单回路数字显示控制仪
产品说明:PD319-WP系列单回路数字显示控制仪/光柱显示控制仪采用微处理进行控制运算, 可对各种非线性输入信号进行精度极高的线性矫正测量。PD319-WP系列光柱显示控制仪集数学仪表与模式仪表于一体,可对温度、压力、液位、速度等测量信号进行数字量显示控制(高亮度LED数码显示)及相对模拟量显示 (光柱显示),使测量值的显示更为清晰直观。 并可选择双光柱显示方式。
产品说明
典型案例
在线帮助
资料下载
技术文章
概 述 —————————————————————————————————————————————
PD319-WP系列单回路数字显示控制仪/光柱显示控制仪采用微处理进行控制运算, 可对各种非线性输入信号进行精度极高
的线性矫正测量。
PD319-WP系列光柱显示控制仪集数学仪表与模式仪表于一体,可对温度、压力、液位、速度等测量信号进行数字量显示控
制(高亮度LED数码显示)及相对模拟量显示 (光柱显示),使测量值的显示更为清晰直观。 并可选择双光柱显示方式。
特 点 —————————————————————————————————————————————
采用了集成度更高的IC芯片和先进的SMT表面元件贴装工艺以及独特的电路屏敝技术,使仪表具有超强的抗干扰能力和可靠性,可在电磁干扰环境下长期稳定工作。
采用万能输入跳线设置,使每台仪表仅通过简单快捷的参数设置,即可实现仪表的各种分度号、热电偶热电阻、标准信号以及远传传压力信号、毫伏信号的输入。
采用模块通用电路结构,通过简便的模块组合,即可实现仪表的各种功能变换,通用性和灵活性显著增强。
采用微机控制全自动数字调校系统,无需电位器调整。
仪表的外形美观大方,并有多种外形结构和尺寸。
整机和机芯装配均采用入式结构,维护与装拆十分简便。
供电电源可选择:交流2 2 0 V , 5 0 - 6 0 H Z , 线性电源、90-265V开关电源, 或直流24V电源。
可带RS-232或RS-485通讯接口,方便与上位机联机组成控制系统。
技术指标 ————————————————————————————————————————————

——————————————————————————————————————————————————

——————————————————————————————————————————————————

——————————————————————————————————————————————————

——————————————————————————————————————————————————

——————————————————————————————————————————————————

——————————————————————————————————————————————————
数字显示控制仪型谱表 ——————————————————————————————————————

光柱测量显示控制仪型谱表 ————————————————————————————————————

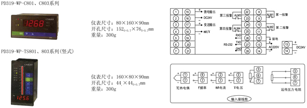
注1:C80系列为0.8英寸LED显示,C90、S80C70C40系列为0.52英寸LED显示,C10系列为0.28英寸LED显示。
注2:四限控制或四限报警输出为四个继电器控制输出,用户可自行修改内容参数以设定需要的控制或报警方式。
(四限控制/报警仅T,C80、S80和C90系列提供,2H代表两个上限控制/报警,2L代表两个下限控制/报警)

注1:切换输入只需设定仪表二级参数,详细情况见“使用说明书”同种分度号,选型代码和仪表编程代码不同,在仪表设定时请注意。
型号举例:PD319-WP-C803-21-08-HL-T测量显示控制仪,通讯方式为RS232,输出方式为继电器输出,输入类型为PT100,第一报警为上限报警,第二报警为下限报警,AC90~260V供电,横式。
PD319-WP系列单回路数字显示控制仪/光柱显示控制仪采用微处理进行控制运算, 可对各种非线性输入信号进行精度极高
的线性矫正测量。
PD319-WP系列光柱显示控制仪集数学仪表与模式仪表于一体,可对温度、压力、液位、速度等测量信号进行数字量显示控
制(高亮度LED数码显示)及相对模拟量显示 (光柱显示),使测量值的显示更为清晰直观。 并可选择双光柱显示方式。
特 点 —————————————————————————————————————————————
采用了集成度更高的IC芯片和先进的SMT表面元件贴装工艺以及独特的电路屏敝技术,使仪表具有超强的抗干扰能力和可靠性,可在电磁干扰环境下长期稳定工作。
采用万能输入跳线设置,使每台仪表仅通过简单快捷的参数设置,即可实现仪表的各种分度号、热电偶热电阻、标准信号以及远传传压力信号、毫伏信号的输入。
采用模块通用电路结构,通过简便的模块组合,即可实现仪表的各种功能变换,通用性和灵活性显著增强。
采用微机控制全自动数字调校系统,无需电位器调整。
仪表的外形美观大方,并有多种外形结构和尺寸。
整机和机芯装配均采用入式结构,维护与装拆十分简便。
供电电源可选择:交流2 2 0 V , 5 0 - 6 0 H Z , 线性电源、90-265V开关电源, 或直流24V电源。
可带RS-232或RS-485通讯接口,方便与上位机联机组成控制系统。
技术指标 ————————————————————————————————————————————

——————————————————————————————————————————————————

——————————————————————————————————————————————————

——————————————————————————————————————————————————

——————————————————————————————————————————————————

——————————————————————————————————————————————————

——————————————————————————————————————————————————
数字显示控制仪型谱表 ——————————————————————————————————————

光柱测量显示控制仪型谱表 ————————————————————————————————————

注1:C80系列为0.8英寸LED显示,C90、S80C70C40系列为0.52英寸LED显示,C10系列为0.28英寸LED显示。
注2:四限控制或四限报警输出为四个继电器控制输出,用户可自行修改内容参数以设定需要的控制或报警方式。
(四限控制/报警仅T,C80、S80和C90系列提供,2H代表两个上限控制/报警,2L代表两个下限控制/报警)

注1:切换输入只需设定仪表二级参数,详细情况见“使用说明书”同种分度号,选型代码和仪表编程代码不同,在仪表设定时请注意。
型号举例:PD319-WP-C803-21-08-HL-T测量显示控制仪,通讯方式为RS232,输出方式为继电器输出,输入类型为PT100,第一报警为上限报警,第二报警为下限报警,AC90~260V供电,横式。
(PD319-WP单回路数字显示控制仪)相关产品
关键词:
